归档时间:
当前位置:
首页
>
专题
>
华容县“最多跑一次”改革工作专栏
>
政策文件
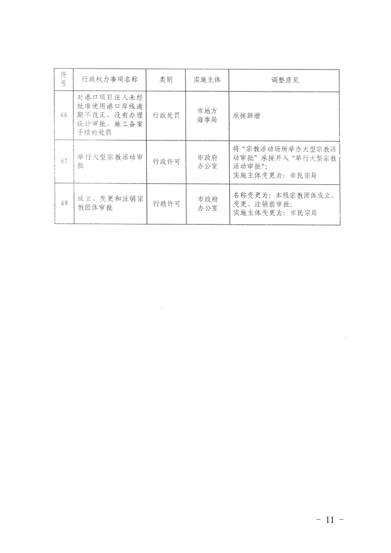
岳阳市人民政府关于 调整一批行政权力事项的通知
来源:华容县行政审批服务局
2020-01-14 10:12
浏览量:
1
|
|
|
|
扫一扫在手机打开当前页