当前位置:
首页
>
政府信息公开
>
部门信息公开目录
>
政府工作部门
>
市生态环境局华容分局
>
通知公告
索引号:006382548Y/2019-1638303
发布机构:县环境保护局
公开范围:全部公开
生成日期:2019-12-13
公开日期:2019-12-13
公开方式:政府网站
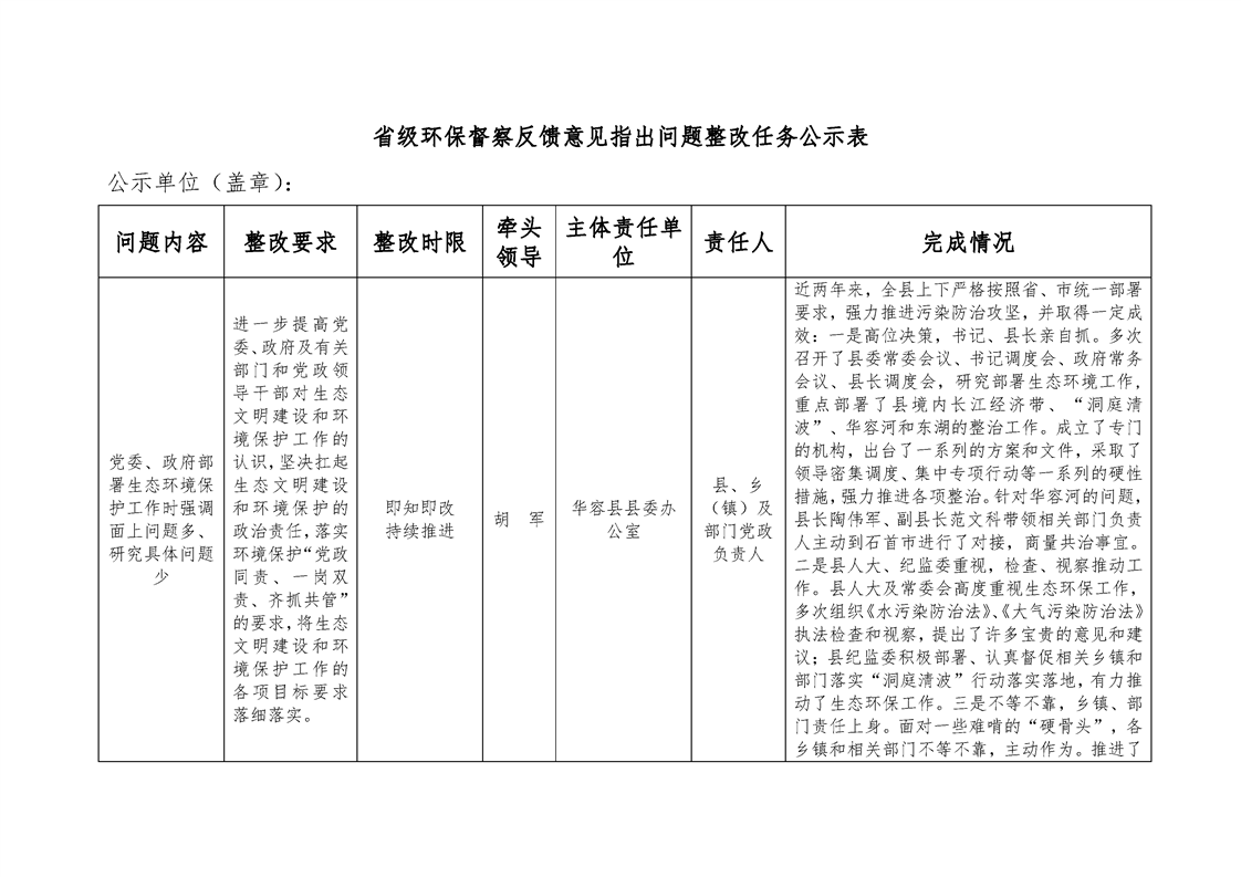
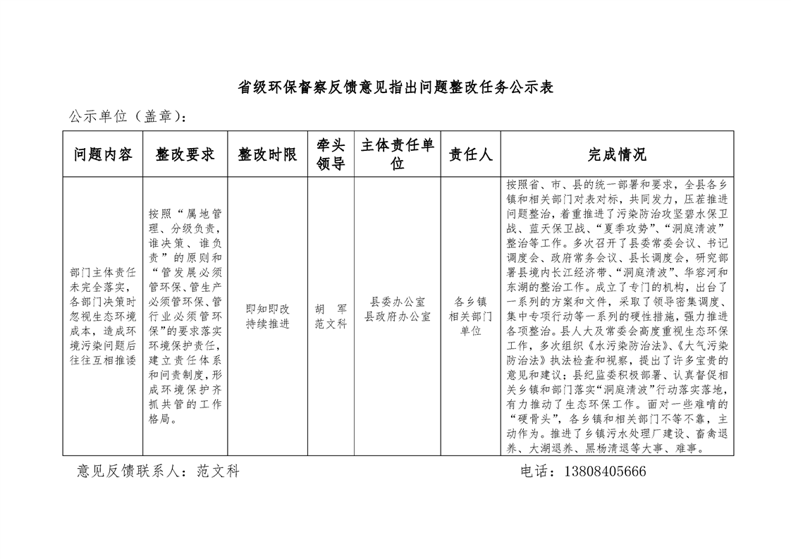
省级环保督察反馈意见指出问题整改任务公示表
来源:原创
2019-12-13 17:27
浏览量:
1
|
|
|
|
扫一扫在手机打开当前页