归档时间:
当前位置:
首页
>
专题
>
华容县“最多跑一次”改革工作专栏
>
它山之石
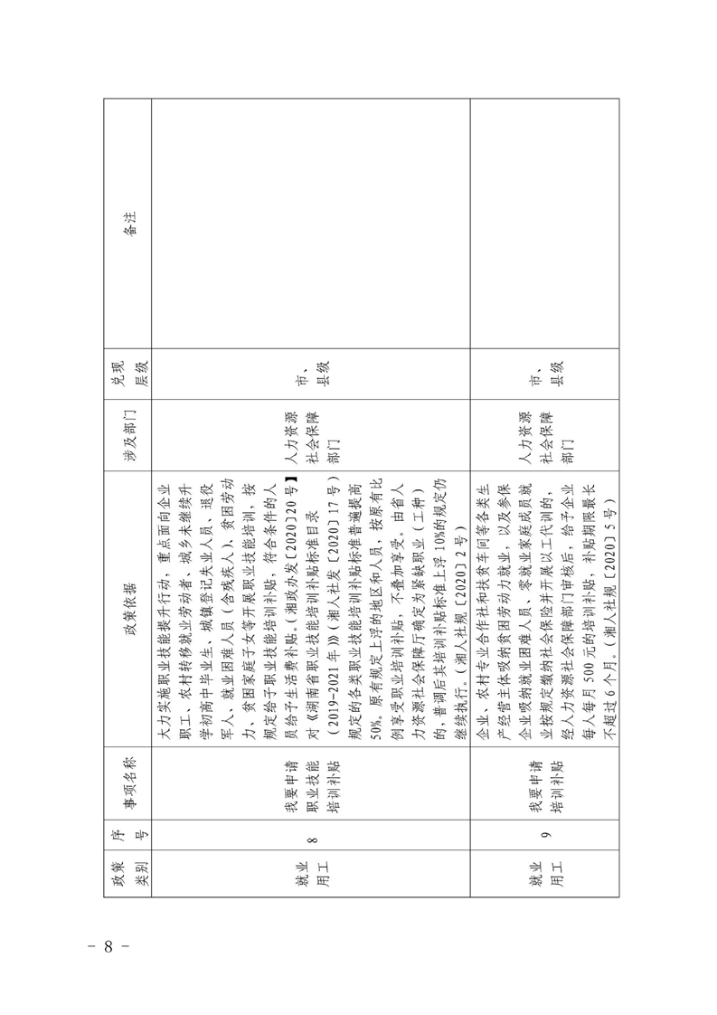
关于印发《关于落实〈湖南省人民政府办公厅 推进复工复产政策兑现“一件事一次办”通知〉 的工作方案》的通知
来源:华容县政府网
2020-05-22 10:22
浏览量:
1
|
|
|
|
扫一扫在手机打开当前页