- 索引号:430623/2023-2117018
- 统一登记号:HRDR-2023-02002
- 发布机构:县发展和改革局
- 信息状态:
- 生效日期:2023-09-04
- 信息时效期:2028-09-04
- 公开方式:政府网站
- 公开范围:全部公开
- 文号:华发改价费〔2023〕7号
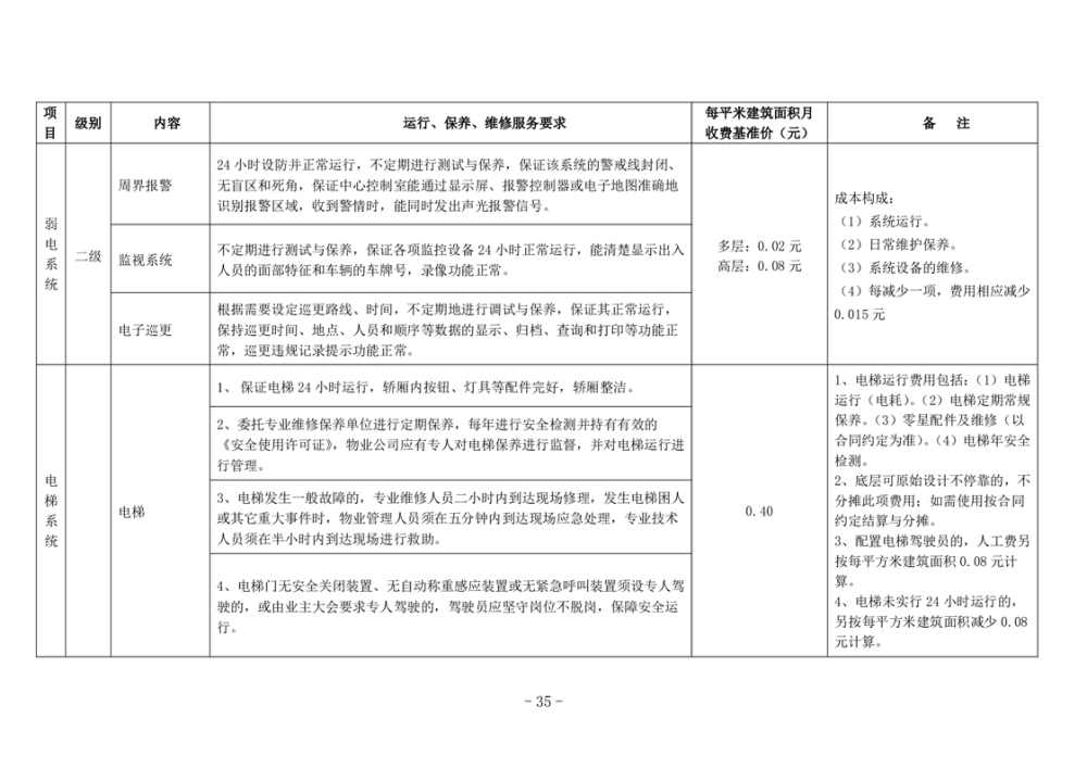
关于规范我县物业服务收费管理的通知






































相关文档
-
【动画解读】关于规范我县物业服务收费管理的通知
2023-09-29
-
一图读懂《关于规范我县物业服务收费管理的通知》
2023-09-29
-
【部门解读】关于《关于规范我县物业服务收费管理的通知》的解读说明
2023-09-27

扫一扫在手机打开当前页